欢迎访问 CPEM全国电力设备管理网!
官方微信|设为首页|加入收藏
cpem标语
   
顶部动图
智创奖
  • 金智信息
  • 国电南自
  • 深圳普宙
  • 联想
  • 国网信通
  • 中国交建
当前位置:首页 > 电力资讯

新增事故认定章节!国家能源局征求《电力安全事故应急处置和调查处理条例》(征求意见稿)意见

2025-09-26分类:电力资讯 / 电力资讯来源:国家能源局
【CPEM全国电力设备管理网】

9月24日,国家能源局综合司关于公开征求《电力安全事故应急处置和调查处理条例》(征求意见稿)意见的通知。

本次修订征求意见稿在保持原基本框架体例基础上,增加“事故认定”章节,补充修改了相关条款内容,修订后共7章43条。

事故认定:

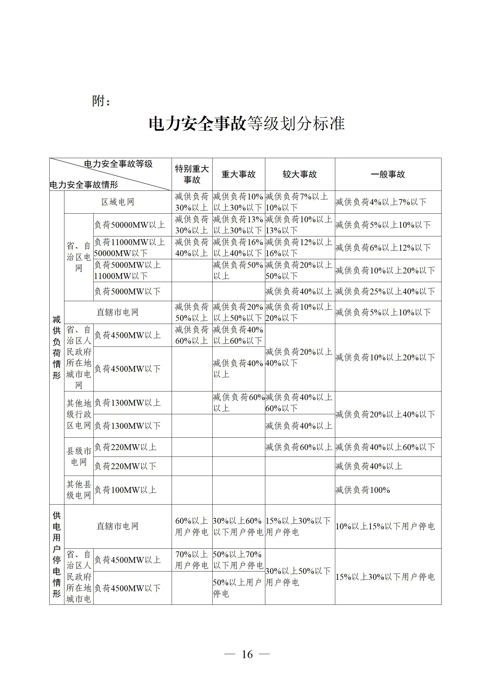
根据对电力系统安全稳定运行或者电力正常供应的影响程度,电力安全事故分为特别重大事故、重大事故、较大事故和一般事故。事故等级划分标准由本条例附表列示。事故等级划分标准的部分项目需要调整的,由国务院能源主管部门提出方案,报国务院批准。

由单一输电线路或者单一变电站供电的行政区,因该单一输电线路或者单一变电站故障导致电网减供负荷或者造成供电用户停电的电力安全事故,降低一个等级认定。

对电力安全事故等级划分标准调整或行政区域适用标准变化等情形,可设立不超过5年的事故风险治理缓冲期。在缓冲期内发生事故的,可按照调整前的事故判定标准认定。

在修订说明中提到,现行《条例》制定之初就是以保大电网安全为目标。随着新型电力系统发展,系统形态和运行特性发生深刻变化,安全形势更为严峻复杂,更要在《条例》事故等级判据、应急处置等方面,进一步聚焦保大电网安全。同时,还要根据党中央和国务院要求,兼顾满足民生安全可靠供电的需求。同时,我国区域发展不平衡不充分的基本国情,要求《条例》修订必须充分考虑地区电力发展特点,建立差异化的事故判定标准体系,这也使得事故等级划分标准相对较多。在事故情形划分、事故等级设置等方面,通过科学设定减供负荷、供电用户停电、发电侧事故情形,以及不同地区、不同层级的事故等级划分标准,确保事故认定科学合理。

原文如下:

国家能源局综合司关于公开征求《电力安全事故应急处置和调查处理条例》(征求意见稿)意见的通知

为深入贯彻落实习近平总书记关于能源安全、民生保障的重要指示批示精神,保障新型电力系统安全稳定运行和可靠供应,控制、减轻和消除电力安全事故损害,国家能源局组织对《电力安全事故应急处置和调查处理条例》(国务院令599号)进行修订,形成了《电力安全事故应急处置和调查处理条例》(征求意见稿),现向社会公开征求意见。

欢迎有关单位和社会各界人士提出宝贵意见建议,自本通知发布之日起30日内传真至010-81929607 ,或通过电子邮件发至grid@nea.gov.cn。

感谢您的参与和支持!

附件: 1.《电力安全事故应急处置和调查处理条例》(征求意见稿)

2.《电力安全事故应急处置和调查处理条例》修订说明

国家能源局综合司

2025年9月23日

附件1

《电力安全事故应急处置和调查处理条例》

(征求意见稿)

第一章  总则

第一条  为了加强电力安全事故的应急处置工作,规范电力安全事故的调查处理,控制、减轻和消除电力安全事故损害,依据《中华人民共和国电力法》《中华人民共和国安全生产法》,制定本条例。

第二条  本条例所称电力安全事故,是指电力生产或者电网运行过程中发生的影响电力系统安全稳定运行或者影响电力正常供应的事故。

第三条  国务院能源主管部门和派出能源监管机构应当加强电力安全监督管理,依法建立健全事故应急处置和调查处理的各项制度,组织或者参与事故的调查处理。

国务院能源主管部门和国务院其他有关部门、地方人民政府及有关部门按照国家规定的权限和程序,组织、协调、参与事故的应急处置工作。

第四条  电力企业、电力用户及其他并入电网运行的主体等有关单位和个人,应当遵守电力安全管理规定,严肃调度纪律,严格执行相关标准,在规划、建设、运行等环节落实事故预防措施,防止和避免事故发生。

调度机构应当严格按照相关法律法规和制度标准开展电网运行控制。事故后按照有关规定采取控制措施,减少事故影响。

县级以上地方人民政府有关部门确定的重要电力用户,应当按照国务院能源主管部门的规定配置自备应急电源,并加强安全使用管理。

第五条  事故发生后,电力企业、电力用户及其他并入电网运行的主体等有关单位和个人应当按照规定及时、准确报告事故情况,开展应急处置工作,防止事故扩大,减轻事故损害。电力企业及其他并入电网运行的主体等应当尽快恢复电力生产、电网运行和电力正常供应。

县级以上地方人民政府应当协调相关部门为电力抢修提供必要人员、物资、场地、交通、消防、通信、排水、气象、地质等保障。

第六条  任何单位和个人不得阻挠和干涉对事故的报告、应急处置和依法调查处理。

第二章  事故认定

第七条  根据对电力系统安全稳定运行或者电力正常供应的影响程度,电力安全事故分为特别重大事故、重大事故、较大事故和一般事故。事故等级划分标准由本条例附表列示。事故等级划分标准的部分项目需要调整的,由国务院能源主管部门提出方案,报国务院批准。

第八条  由单一输电线路或者单一变电站供电的行政区,因该单一输电线路或者单一变电站故障导致电网减供负荷或者造成供电用户停电的电力安全事故,降低一个等级认定。

第九条  对电力安全事故等级划分标准调整或行政区域适用标准变化等情形,可设立不超过5年的事故风险治理缓冲期。在缓冲期内发生事故的,可按照调整前的事故判定标准认定。

第三章  事故报告

第十条  事故发生后,事故现场有关人员应当立即向发电厂、变电(换流)站等运行值班人员、电力调度机构值班人员或者本单位现场负责人报告。有关人员接到报告后,应当立即向上一级电力调度机构和本单位负责人报告。发生事故的单位负责人应当在事故发生1小时内向国务院能源主管部门或派出能源监管机构、县级以上能源主管部门、县级以上人民政府应急管理部门报告。

国家调度机构,跨省、自治区、直辖市调度机构,省、自治区、直辖市级调度机构对调度管辖范围内发生的事故和接到的事故报告,应当在事故发生1小时内向国务院能源主管部门或派出能源监管机构报告。

影响热力正常供应的,发生事故的单位还应当向供热管理部门报告;事故涉及水电厂(站)大坝安全的,还应当同时向有管辖权的水行政主管部门或者流域管理机构报告。

电力企业、电力用户及其他并入电网运行的主体等不得迟报或者瞒报、谎报事故情况。

第十一条  事故发生地派出能源监管机构、省级能源主管部门接到事故报告后,应当立即核实有关情况,向国务院能源主管部门报告。事故造成供电用户停电的,应当同时通报事故发生地县级以上地方人民政府。

对特别重大事故、重大事故,国务院能源主管部门接到事故报告后应当立即报告国务院,并通报国务院应急管理等有关部门。

第十二条  事故报告应当包括下列内容:

(一)事故发生的时间、地点(区域)以及事故发生单位;

(二)已知的电力设备、设施损坏情况,停运的发电设备数量、电网减供负荷或者发电设备减少出力的数值、停电范围;

(三)已知事故的简要经过;

(四)事故原因的初步判断;

(五)事故发生后采取的措施、电网运行方式、发电设备运行状况以及事故控制情况;

(六)其他应当报告的情况。

事故报告可以采用口头等方式先行报告已知信息,后续再以书面等方式续报详细情况,事故报告后出现新情况的,应当及时补报。

第十三条  事故发生后,有关单位和人员应当妥善保护事故现场以及工作日志、工作票、操作票等相关材料,及时保存故障录波图、电力调度数据、发电设备运行数据和输变电设备运行数据等相关资料,并在事故调查组成立后将相关材料、资料移交事故调查组。

因抢救人员或者采取恢复电力生产、电网运行和电力供应等紧急措施,需要改变事故现场、移动电力设备的,应当作出标记、绘制现场简图,妥善保存重要痕迹、物证,并作出书面记录。

任何单位和个人不得故意破坏事故现场,不得伪造、隐匿或者毁灭相关证据。

第四章  事故应急处置

第十四条  电力企业、重要电力用户及其他并入电网运行的主体应当按照国家有关规定,制定本单位事故应急预案,并按照有关规定进行备案和演练。

能源主管部门和派出能源监管机构应当指导电力企业、重要电力用户及其他并入电网运行的主体加强电力安全事故应急体系建设,保障人员、物资、装备等投入。

第十五条  事故发生后,相关电力企业、电力用户及其他并入电网运行的主体应当立即采取相应的紧急处置措施,控制事故范围,防止发生电网系统性崩溃和瓦解;事故危及人身和设备安全的,相关运行值班人员可以按照有关规定,立即采取停运发电设备和输变配电设备等紧急处置措施。

事故造成电力设备、设施损坏的,相关电力企业及其他并入电网运行的主体应当立即组织抢修。

第十六条  根据事故的具体情况,电力调度机构可以发布开启或者停运发电设备、调整发电设备有功和无功出力、调整电网运行方式、调整调度计划等电力调度命令,电力企业、电力用户及其他并入电网运行的主体应当执行。

事故可能导致破坏电力系统稳定和电网大面积停电的,电力调度机构有权决定采取拉限负荷、解列电网、解列发电设备等必要措施。

第十七条  恢复电网运行和电力供应,应当优先保证重要电厂厂用电源、重要输变电设备、电力主干网架的恢复,优先恢复重要电力用户、重要城市、重点地区的电力供应。

第十八条  事故造成局部电力系统全停的,电力调度机构应当立即确定停电区域内电源或者外部系统帮助恢复供电的可能性,必要时应当尽快执行系统黑启动方案。

黑启动电源应当具备独立启动和孤网运行能力,尽可能缩短黑启动时间。

第十九条  事故造成电网大面积停电的,国务院能源主管部门和国务院其他有关部门、有关地方人民政府及有关部门、电力企业及其他并入电网运行的主体应当按照大面积停电事件应急预案等规定,启动应急响应,成立应急指挥机构,尽快恢复电网运行和电力供应,防止各种次生灾害的发生。

第二十条  国家大面积停电事件应急预案由国务院能源主管部门制定,报国务院批准。地方人民政府应当依照法律、行政法规和国家大面积停电事件应急预案,组织制定本行政区域大面积停电事件应急预案。

大面积停电事件应急预案应当对应急组织指挥体系及职责,应急处置的各项措施,以及人员、资金、物资、技术等应急保障作出具体规定。

第二十一条  事故造成大面积停电的,地方人民政府及有关部门应当立即组织开展下列应急处置工作:

(一)加强对停电地区关系国计民生、国家安全和公共安全的重点单位的安全保卫,防范破坏社会秩序的行为,维护社会稳定;

(二)及时排除因停电发生的各种险情;

(三)事故造成重大人员伤亡或者需要紧急转移、安置受困人员的,及时组织实施救治、转移、安置工作;

(四)加强停电地区道路交通指挥和疏导,做好铁路、民航运输以及通信保障工作;

(五)组织应急物资的紧急生产和调用,保证电网恢复运行所需物资和居民基本生活资料的供给。

第二十二条  事故造成重要电力用户供电中断的,重要电力用户应当按照有关技术要求迅速启动自备应急电源;启动自备应急电源无效的,电网企业应当提供必要的支援。

事故造成地铁、机场、高层建筑、商场、影剧院、体育场馆等人员聚集场所停电的,应当迅速启用应急照明,组织人员有序疏散。

第二十三条  应急指挥机构应当按照有关规定,统一、准确、及时发布有关事故影响范围、处置工作进度、预计恢复供电时间等信息。

第五章  事故调查处理

第二十四条  特别重大事故由国务院或者国务院授权的部门组织事故调查组进行调查。

重大事故由国务院能源主管部门组织事故调查组进行调查。

较大事故、一般事故由事故发生地派出能源监管机构组织事故调查组进行调查。国务院能源主管部门认为必要的,可以组织事故调查组对较大事故进行调查。

较大事故、一般事故跨省(自治区、直辖市)的,由事故发生地的区域能源监管机构组织事故调查组进行调查;较大事故、一般事故跨区域的,由国务院能源主管部门组织事故调查组进行调查。

未造成供电用户停电的一般事故,国务院能源主管部门或派出能源监管机构也可以委托事故发生单位调查处理。

第二十五条  根据事故的具体情况,应当邀请有关地方人民政府、应急管理部门、能源主管部门、负有安全生产监督管理职责的有关部门派人参加事故调查组;涉事人员涉嫌失职、渎职或者涉嫌犯罪的,应当邀请监察机关、公安机关、人民检察院派人参加事故调查组。

根据事故调查工作的需要,事故调查组可以聘请有关专家、调度机构有关人员协助调查。

事故调查组组长由组织事故调查组的部门指定。

第二十六条  事故调查组应当依法依规开展事故调查,形成事故调查报告,事故调查报告应当包括下列内容:

(一)事故相关单位基本情况;

(二)事故前运行工况、市场运行情况、网络安全情况,事故发生、扩大及处置经过;

(三)事故造成的直接经济损失和事故对电网运行、电力正常供应的影响和后果情况;

(四)事故发生的原因和事故性质;

(五)事故应急处置和恢复电力生产、电网运行的情况;

(六)事故防范和整改措施;

(七)事故责任认定和对事故责任单位、责任人的处理建议;

事故调查报告应当附具有关证据材料和技术分析报告。事故调查组成员应当在事故调查报告上签字。

第二十七条  事故调查组应在下列期限内向组织事故调查组的部门提交事故调查报告:

(一)特别重大事故和重大事故的调查期限为60日;特殊情况下,经组织事故调查组的部门批准,可以适当延长,但延长的期限不得超过60日。

(二)较大事故和一般事故的调查期限为45日;特殊情况下,经组织事故调查组的部门批准,可以适当延长,但延长的期限不得超过45日。

事故调查期限自事故发生之日起计算。

第二十八条  事故调查报告经组织事故调查组的部门同意,事故调查工作即告结束;委托事故发生单位调查的一般事故,事故调查报告应当报经委托授权的国务院能源主管部门或派出能源监管机构同意。

有关部门应当依法对事故责任单位和有关责任人员进行处罚,对负有事故责任的国家工作人员给予处分。

事故责任单位应当对本单位负有事故责任的人员进行处理,结果报组织事故调查组的部门。

第二十九条  事故责任单位和有关人员应当认真吸取事故教训,落实事故防范和整改措施,防止事故再次发生。

国务院能源主管部门及其派出能源监管机构、应急管理部门和负有安全生产监督管理职责的有关部门应当在批复事故调查报告后一年内,对事故整改和防范措施落实情况进行评估。

第六章  法律责任

第三十条  事故相关单位主要负责人有下列行为之一的,由国务院能源主管部门或派出能源监管机构处其上一年年收入60%至100%的罚款;属于国家公职人员的,依法依规给予处分;构成犯罪的,依法追究刑事责任:

(一)不立即组织事故处置抢修的;

(二)迟报事故的;

(三)在事故调查处理期间擅离职守的。

第三十一条  事故相关单位及其有关人员有下列行为之一的,由国务院能源主管部门或派出能源监管机构对事故相关单位处100万元以上500万元以下的罚款;对主要负责人、直接负责的主管人员和其他直接责任人员处其上一年年收入60%至100%的罚款,属于国家公职人员的,依法依规给予处分;构成违反治安管理行为的,由公安机关依法给予治安管理处罚;构成犯罪的,依法追究刑事责任:

(一)谎报或者瞒报事故的;

(二)伪造或者故意破坏事故现场的;

(三)转移、隐匿资金、财产,或者销毁有关证据、资料的;

(四)拒绝接受调查或者拒绝提供有关情况和资料的;

(五)在事故调查中作伪证或者指使他人作伪证的;

(六)事故发生后逃匿的。

第三十二条  对事故责任单位,由国务院能源主管部门或派出能源监管机构依照下列规定处以罚款:

(一)发生一般事故的,处30万元以上100万元以下的罚款;

(二)发生较大事故的,处100万元以上200万元以下的罚款;

(三)发生重大事故的,处200万元以上1000万元以下的罚款;

(四)发生特别重大事故的,处1000万元以上2000万元以下的罚款。

第三十三条  事故责任单位主要负责人未依法履行安全生产管理职责的,由国务院能源主管部门或派出能源监管机构依法依规追究法律责任;属于国家公职人员的,依法依规给予处分;构成犯罪的,依法追究刑事责任。

事故责任单位其他负责人和安全生产管理人员未依法履行安全生产管理职责,导致事故发生的,由国务院能源主管部门或派出能源监管机构处其上一年年收入百分之二十以上百分之五十以下的罚款。构成犯罪的依法追究刑事责任。

第三十四条  事故相关单位主要负责人依照本条例第三十条、第三十一条、第三十三条规定受到撤职处分或者刑事处罚的,自受处分之日或者刑罚执行完毕之日起5年内,不得担任任何生产经营单位主要负责人;事故责任单位主要负责人督促落实事故整改和防范措施不到位的,国务院能源主管部门或派出能源监管机构经评估可责令限期改正,处二万元以上五万元以下的罚款;逾期未改正的,处五万元以上十万元以下的罚款。

第三十五条  国务院能源主管部门、派出能源监管机构、有关地方人民政府以及其他负有安全生产监督管理职责的有关部门有下列行为之一的,对直接负责的主管人员和其他直接责任人员依法给予处分;直接负责的主管人员和其他直接责任人员构成犯罪的,依法追究刑事责任:

(一)不立即组织事故处置抢修的;

(二)迟报或者瞒报、谎报事故的;

(三)阻碍、干涉事故调查工作的;

(四)在事故调查中作伪证或者指使他人作伪证的。

第三十六条  参与事故调查的人员在事故调查中有下列行为之一的,依法给予处分;构成犯罪的,依法追究刑事责任:

(一)对事故调查工作不负责任,致使事故调查工作有重大疏漏的;

(二)包庇、袒护负有事故责任的人员或者借机打击报复的。

第三十七条  对工作不力导致事故扩大或者造成严重社会影响的有关人员,应当从重追究责任。

对主动采取补救措施,减少事故损失或者挽回社会不良影响的有关人员,可以从轻、减轻追究责任。

经事故调查认定,已经履行有关职责,不予追究有关人员的相关责任。

第七章  附则

第三十八条  发生本条例规定的事故,同时造成人员伤亡或者直接经济损失,依照本条例确定的事故等级与依照《生产安全事故报告和调查处理条例》确定的事故等级不相同的,按事故等级较高者确定事故等级,依照本条例的规定调查处理;事故造成人员伤亡,构成《生产安全事故报告和调查处理条例》规定的重大事故或者特别重大事故的,依照《生产安全事故报告和调查处理条例》的规定调查处理。

电力生产或者电网运行过程中发生发电设备或者输变电设备损坏,造成直接经济损失的事故,未影响电力系统安全稳定运行以及电力正常供应的,由国务院能源主管部门或派出能源监管机构依照《生产安全事故报告和调查处理条例》的规定组成事故调查组对重大事故、较大事故、一般事故进行调查处理。

第三十九条  本条例对事故报告和调查处理未作规定的,适用《生产安全事故报告和调查处理条例》的规定。

第四十条  核电厂核事故的应急处置和调查处理,依照《核电厂核事故应急管理条例》的规定执行。

第四十一条  自然灾害严重程度超过电力设备设施设计防护标准,其后果达到电力安全事故等级划分标准的,可不启动事故调查,不纳入事故统计。

第四十二条  国家认定的重大电力科研试验项目和重大电力新技术试验项目,需向国务院能源主管部门或派出能源监管机构备案,并写明试验或试运期限,此类项目在试验或试运期间发生故障并造成事故的,可视事故具体情况给予责任减免考虑。

第四十三条  本条例自20XX年X月X日起施行。

附件2

《电力安全事故应急处置和调查处理条例》

修订说明

为深入贯彻习近平总书记关于国家能源安全和安全生产的重要论述和重要指示批示精神,深入践行“两个至上”要求,立足国家能源安全新战略、顺应新型电力系统发展新趋势、回应人民群众可靠用电新期待,在认真总结《电力安全事故应急处置和调查处理条例》(国务院令599号,以下简称《条例》)实施成效、经验基础上,对《条例》进行及时、全面、系统的修订,进一步提升电力安全事故应急处置和调查处理工作的规范化、法治化、科学化水平,有效引导各相关主体控制、减轻和消除电力安全事故损失,为电力行业高水平安全治理提供法治保障。

一、修订的必要性

党中央高度重视能源电力安全管理工作。习近平总书记强调,能源保障和安全事关国计民生,是须臾不可忽视的“国之大者”。《条例》是专门规范电力安全事故应急处置和调查处理的行政法规,自2011年7月颁布以来,在用电需求快速增长、新型电力系统加速构建的情况下,有效指导电力行业建立风险管控体系、安排系统运行方式、加强设备运维检修、提升事故应急处置能力以及强化源头治理,对事故防范发挥了巨大作用,确保了电力系统安全稳定运行和电力可靠供应,已经成为电力行业安全生产领域最重要、最根本的法规。伴随我国经济社会高质量发展、能源安全新战略深入推进以及人民对电力获得感、安全感的期待不断提升,《条例》在诸多方面已显现出不适应性,亟需修订完善,主要体现在以下3个方面。

一是党中央和人民群众对电力安全运行和民生可靠供电提出更高要求。当前,我国迈上全面建设社会主义现代化国家、向第二个百年奋斗目标进军、以中国式现代化全面推进中华民族伟大复兴的新征程,作为支撑实现中国式现代化的关键领域,电力行业面临新的机遇和挑战,保持电力系统安全稳定运行的标准更严、人民群众对电力可靠供应的要求更高。二是电力系统规模、形态与运行特性发生深刻变化。各类发电技术快速发展,各级电网负荷规模持续增长,电力系统向更广域、更末端延伸,不断支撑城乡融合发展、助力县域经济高质量发展、服务上下游装备产业高质量发展,电力安全工作面临的地域差异、城乡差距、技术标准差异日益拉大。并网主体呈现多元化发展态势,源、荷、储等各方面对电力系统安全运行的影响进一步加深,各方主体均可能成为事故责任方,电力安全责任体系亟需重构。三是《条例》施行多年来的经验教训需要总结固化。《条例》自2011年施行以来,对防范和遏制电力安全事故发挥了显著作用,成功保障了连续十五年未发生较大及以上电力安全事故,成效卓著。《条例》在实施过程中也暴露出一些需补充完善之处,如事故认定环节缺少一些特殊情形的缓冲期、备案制的考虑,以及对于自然灾害等不可抗力情形的差异化考虑等。

二、修订过程

依照委、局立法工作相关工作指引,国家能源局安全司组织派出机构、重点电力企业、研究机构、行业协会形成编制工作团队,人员构成覆盖安全监管、调度运行、设备管理、规划设计、法务合规等多个部门。主要工作分为以下3个阶段。

立法评估阶段。2023年11月至2024年10月,组织中国电机工程学会开展《条例》的立法评估,对《条例》的立法成效和实施现状进行调研评估。评估认为亟需对《条例》开展修订,并提出完善县域全停事故判定标准、加强法律法规衔接、规范减供负荷统计及单一大负荷用户停电事故判定标准等课题研究方向。

研究论证阶段。2025年4月,在北京召开《条例》修订研究工作启动会。组织华北能源监管局等6家区域派出机构,国家电网、南方电网、中国大唐等9家重点电力企业参与研究工作,部署县域电网事故等级划分标准、涉民生保障事故等级划分标准等行业关心的12项重点课题研究任务。6月,围绕重点课题研究任务组织集中研讨,凝聚行业共识,为初稿起草奠定研究基础。

初稿起草阶段。2025年7月,在北京开展2轮集中工作,结合前期研究成果,形成15项重点课题《研究报告》,编制形成《条例》征求意见稿和修订说明,召开派出机构座谈会,赴3家电网企业、11家发电集团听取意见建议。在行业内主要相关方意见基本达成一致的基础上,8月,书面征求委内相关司、局内相关司、派出机构、地方电力管理部门、国务院安委会企业成员单位意见,共收到各方反馈意见建议47条,已全部采纳或部分采纳。同时,8月中旬在北京开展第3轮集中工作,针对征求意见情况和相关重点议题,进行论证修改完善。国家能源局局领导听取2次专题汇报,并组织召开专题座谈会听取行业单位和专家意见,通过与行业各方深入沟通,持续提升修订工作质量。

三、修订原则

一是坚持以保障大电网安全为主要目标。现行《条例》制定之初就是以保大电网安全为目标。随着新型电力系统发展,系统形态和运行特性发生深刻变化,安全形势更为严峻复杂,更要在《条例》事故等级判据、应急处置等方面,进一步聚焦保大电网安全。同时,还要根据党中央和国务院要求,兼顾满足民生安全可靠供电的需求。

二是坚持科学合理。我国区域发展不平衡不充分的基本国情,要求《条例》修订必须充分考虑地区电力发展特点,建立差异化的事故判定标准体系,这也使得事故等级划分标准相对较多。在事故情形划分、事故等级设置等方面,通过科学设定减供负荷、供电用户停电、发电侧事故情形,以及不同地区、不同层级的事故等级划分标准,确保事故认定科学合理。

三是坚持团结治网。适应我国电力体制改革和电力系统发展现状,按照安全共治、权责对等的原则,厘清和压实各方主体的安全责任,推动电网、发电、用户及其他并入电网运行的主体等有关单位和个人依法承担电力安全主体责任,共同履行涉网安全义务、共担系统安全责任,防止和避免事故发生。

四是坚持适度从严。新型电力系统下电网脆弱性不断凸显,需要按照适度从严的原则调整电力安全事故等级划分标准,如扩大事故管控范围、管控对象,严格发电设备涉网性能事故判定标准,确保最小开机状态下各发电机组调用可靠性,有效约束不安全行为,适应多元并网主体发展趋势。

四、修订主要内容

修订征求意见稿在保持原基本框架体例基础上,增加“事故认定”章节,补充修改了相关条款内容,修订后共7章43条,修订的主要内容包括以下5个方面。

一是细化明确各类主体安全职责。重点补充了电力行业中新出现的并入电网运行的主体的安全责任、明确了调度机构信息报送的安全职责,厘清和压实各方主体的安全责任,建立健全事故即时报告、责任认定与追究机制,避免事故责任主体不明、事故无人报告或事后难以追责的情况。

二是调整事故等级划分标准。着眼多元并网主体接入、负荷水平持续增长的趋势,遵循“公平公正、科学严谨、从严管控”的原则,优化完善事故等级划分标准,重点通过调整各级行政区域负荷基数区间,确保事故判据与当前电力系统发展现状相适应。

三是优化完善事故应急处置流程和措施。厘清和规范了电力事故应急处置的流程,《条例》以电力安全事故全过程管理为主体,形成事前(事故应急预案)、行业内事故处置(相关方紧急处理措施、调度处置原则、优先恢复原则、黑启动原则)、社会面事故处置(大面积停电事件应急预案、大面积停电处置原则、信息发布)3个阶段的章节格局。

四是修订事故责任处罚规定。《条例》在事故等级罚则上衔接了2021年新修订的《安全生产法》,提高了处罚标准,新增了部分处罚事项及处罚人员,完善了从重、从轻、免责等责任追究制度。

五是明确特殊情形的事故认定。针对部分特殊情形制定了事故认定原则,明确了单一输电线路或者单一变电站供电的行政区、自然灾害引发的事故、纳入国家认定重大电力科研和新技术试验项目等不同的特殊情形下,实施差异化事故处置与责任认定。

此外,本次修订还按照近年来国务院机构改革工作方案及有关法规文件制修订进展,统一规范了相关名称和术语。


分享到:
相关文章
合作伙伴
  • 1
  • 2
  • 3
  • 4
  • 5
  • 6
  • 7
  • 8
  • 10
  • 11
  • 12
  • 13

logo.png

CPEM全国电力设备管理网  © 2016 版权所有    ICP备案号:沪ICP备16049902号-7